Large-Diameter Krah Pipes: HDPE/PP Spiral Wound Pipes (Lightweight, 100-Year Life) for Municipal/Industrial Drainage
Welcome to learn about Large-Diameter Krah Pipes! Featuring HDPE/PP spiral wound design, they combine the advantages of being lightweight and easy to install, plus a 100-year service life. They meet the core needs of municipal drainage and industrial sewage, delivering durable solutions for your piping projects!

Products Introduce
Large-Diameter Krah Pipes are made of HDPE or PP, crafted via spiral winding molding. Boasting lightweight construction for easy installation and a 100-year service life, they feature excellent corrosion resistance and stable ring stiffness (SN2-SN16). Ideal for municipal drainage and industrial sewage systems, these pipes offer efficient, durable solutions to meet core piping project needs.
Krah Pipes Product Center
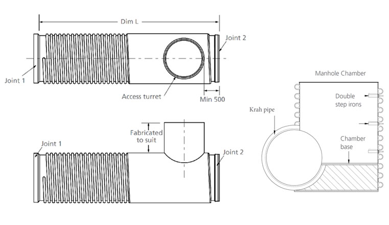
Krah Pipes Advantages
Our goal is to become a leader in the global home furnishing industry.

Performance & Durability Advantages
Superior Material Performance:Made of HDPE or PP, the pipes resist acid, alkali, and UV rays (with carbon black additive), maintaining stability in temperatures ranging from -40℃ to 80℃. They avoid electrochemical corrosion (no metal components) and suit harsh environments like coastal areas or industrial wastewater systems. Long Service Life:Buried service life exceeds 100 years, far longer than concrete pipes (50 years) and steel pipes (20 years), reducing long-term replacement costs. Excellent Hydraulic & Structural Performance:Smooth inner walls (Manning coefficient ≈ 0.009) boost flow efficiency by 17% (vs. concrete pipes) and 60% (vs. corrugated steel pipes); spiral structure enhances self-cleaning ability, cutting maintenance costs by 70%. Stable ring stiffness (SN2-SN16, up to SN32 on demand) meets diverse load requirements.
Construction & Cost Advantages
Lightweight & Efficient Installation:Weighing only 1/5 to 1/8 of concrete pipes, they require no heavy lifting equipment (handled by excavators). Socket-and-spigot electrofusion/rubber ring connections take less than 15 minutes per joint, speeding up installation efficiency by over 50%. Flexible Production & Logistics Savings:A single production line covers DN300-DN4500mm specifications with mold change time under 2 hours (supports customized wall thickness). Nestable transportation reduces logistics costs by 30%, and on-site production is available to avoid long-distance transport issues of large-diameter pipes.

Technical Specifications
Krah Pipes' technical specifications are formulated in line with the national standard GB/T 19472.2-2017, covering three core dimensions of material, size, and structural performance. These detailed parameters not only ensure the product's stability in diverse application scenarios (such as municipal drainage, industrial sewage, and water conservancy projects) but also provide clear technical references for project design, procurement, and construction, laying a foundation for efficient and durable piping solutions.

Material Specifications
Core Materials:Two main options available, compliant with national standard DIN 16961 EN 13476 HDPE (High-Density Polyethylene):Features excellent low-temperature resistance (-40℃ to 80℃ operating temperature range), good impact toughness, and strong resistance to general chemicals; carbon black additive is integrated to enhance UV resistance, suitable for outdoor buried or exposed scenarios. PP (Polypropylene, mainly PP-HM high-modulus polypropylene):Superior acid and alkali resistance, higher temperature tolerance than HDPE (short-term resistance up to 100℃), ideal for industrial sewage, chemical liquid transportation, and other corrosive environments. Auxiliary Materials:Food-grade anti-oxidants and UV stabilizers are added to avoid material aging; no metal components (e.g., steel strips) to prevent electrochemical corrosion.

Dimensional & Specification Parameters
Diameter Range:Inner diameter (DN/ID) from 300mm to 4000mm; customized production up to 4500mm for large-scale water conservancy projects; adjacent specifications differ by 100mm (e.g., DN300, DN400, DN500) to match diverse flow demands. Single Pipe Length:Standard 6m per piece (integrated with socket, main body, and spigot via one-time on-line molding); customized length (3m-12m) available for special construction scenarios (e.g., narrow construction sites). Ring Stiffness Grade:Standard grades include SN2, SN4, SN8, SN16; high-stiffness grade SN32 customizable for heavy-load areas (e.g., under highways, high-rise building foundations). Wall Thickness:Horizontal base layer ≥4mm (ensures basic pressure resistance); reinforced layer thickness adjustable (2mm-8mm) based on ring stiffness requirements; total wall thickness ranges from 6mm to 12mm.

Structural & Performance Indicators
Hydraulic Performance:Smooth inner wall with Manning coefficient ≈0.009 (lower than concrete pipes’ 0.013-0.014 and corrugated steel pipes’ 0.012); under the same diameter, flow rate is 17% higher than concrete pipes and 60% higher than corrugated steel pipes. Compressive & Anti-Deformation Performance:SN8 grade pipes can withstand 8kN/m² external pressure (suitable for general municipal buried scenarios); SN16 grade pipes resist 16kN/m² pressure (for heavy-load areas); spiral winding structure ensures uniform stress distribution, avoiding local deformation. Service Life & Corrosion Resistance:Buried service life >100 years (no rust or concrete erosion); passes 10,000-hour acid-alkali immersion test (5% H₂SO₄ and 5% NaOH solutions) with no material cracking or performance degradation. Connection Sealing Performance:Socket-and-spigot electrofusion/rubber ring connection; electrofusion joint strength ≥ parent material strength (leakage rate 0); rubber ring (EPDM material) has excellent aging resistance, ensuring no leakage for 50+ years.
Application

Contact Us
Drawing on Krah Pipes' expertise in global municipal drainage, industrial sewage, water conservancy, and its strong regional partnerships, we offer tailored product solutions and technical support. For product selection, customization, regional cooperation, or project queries, reach out via the methods below—we’ll respond quickly with focused service.
FAQs
Related Blogs
Keep In Touch With Us
Whether you have questions about Krah Pipes’ material selection, need to discuss customization details, or seek advice on regional project adaptation, we’re ready to provide targeted support. Feel free to keep in touch with us via the following channels—we’ll respond promptly to help advance your projects.
Mob:+86-532-87290108
E-mail:machinery@eaglegroup.cn



